إذا كنت من عشاق التكنولوجيا ، فربما تكون قد سمعت عن الذاكرة المخبئية وكيف تعمل مع ذاكرة الوصول العشوائي على نظامك لجعلها أسرع. لكن هل تساءلت يومًا ما هي الذاكرة المخبئية وكيف تختلف عن ذاكرة الوصول العشوائي؟
حسنًا ، إذا كان لديك ، فأنت في المكان المناسب لأننا سننظر في كل ما يُميزها وكيف تختلف. تحقق من ما مقدار ذاكرة الوصول العشوائي التي يحتاجها الهاتف الذكي؟
روابط سريعة
تعرف على أنظمة الذاكرة على الكمبيوتر
قبل أن نبدأ في مُقارنة ذاكرة الوصول العشوائي بالذاكرة المخبئية ، من المُهم أن نفهم كيف تم تصميم نظام الذاكرة على الكمبيوتر.
كما ترى ، كل من ذاكرة الوصول العشوائي والذاكرة المخبئية هي أنظمة تخزين ذاكرة مُتطايرة. هذا يعني أنَّه يُمكنهما تخزين البيانات مُؤقتًا وتعمل فقط عندما يتم توفير الطاقة لهما. لذلك ، عند إيقاف تشغيل الكمبيوتر الخاص بك ، يتم حذف جميع البيانات المُخزنة في ذاكرة الوصول العشوائي والذاكرة المُخبئية.
لهذا السبب ، يحتوي أي كمبيوتر على نوعين مُختلفين من أنظمة التخزين — وهي الذاكرة الأولية والثانوية. مُحركات الأقراص هي الذاكرة الثانوية على نظام الكمبيوتر أين تحفظ ملفاتك ، وهي قادرة على تخزين البيانات عند انقطاع التيار الكهربائي. من ناحية أخرى ، تُوفر أنظمة الذاكرة الأساسية البيانات إلى وحدة المعالجة المركزية عند تشغيلها.

ولكن لماذا يوجد نظام ذاكرة على الكمبيوتر لا يُمكنه تخزين البيانات عند إيقاف تشغيله؟ حسنًا ، هناك سبب مُهم يجعل أنظمة التخزين الأولية ضرورية للكمبيوتر.
كما ترى ، على الرغم من أنَّ الذاكرة الأولية على نظامك غير قادرة على تخزين البيانات عند عدم وجود طاقة ، إلا أنها أسرع بكثير مُقارنةً بأنظمة التخزين الثانوية. فيما يتعلق بالأرقام ، تتمتع أنظمة التخزين الثانوية مثل محركات أقراص الحالة الثابتة بوقت وصول يصل إلى 50 ميكروثانية.
في المقابل ، يُمكن لأنظمة الذاكرة الأولية ، مثل ذاكرة الوصول العشوائي ، توفير البيانات إلى وحدة المعالجة المركزية كل 17 نانوثانية. لذلك ، فإنَّ أنظمة الذاكرة الأساسية أسرع بحوالي 3000 مرة مُقارنةً بأنظمة التخزين الثانوية.
بسبب هذا الاختلاف في السرعات ، تأتي أنظمة الكمبيوتر مع تسلسل هرمي للذاكرة ، والذي يُتيح تسليم البيانات إلى وحدة المعالجة المركزية بسرعات مُذهلة وشكل سلس.

إليك كيفية انتقال البيانات عبر أنظمة الذاكرة في كمبيوتر حديث.
- محركات التخزين (الذاكرة الثانوية): يُمكن لهذا الجهاز تخزين البيانات بشكل دائم ولكن ليس بنفس سرعة وحدة المعالجة المركزية. نتيجة لذلك ، لا تستطيع وحدة المعالجة المركزية الوصول إلى البيانات مُباشرةً من نظام التخزين الثانوي.
- RAM (الذاكرة الأولية): هذا النظام للتخزين أسرع من نظام التخزين الثانوي ولكن لا يُمكنه تخزين البيانات بشكل دائم. لذلك ، عندما تفتح ملفًا على نظامك ، فإنه ينتقل من القرص الصلب إلى ذاكرة الوصول العشوائي. ومع ذلك ، حتى ذاكرة الوصول العشوائي ليست سريعة بما يكفي لتتناسب مع وحدة المعالجة المركزية.
- الذاكرة المخبئية (الذاكرة الأولية): لحل هذه المشكلة ، يتم تضمين نوع مُعين من الذاكرة الأولية يُعرف باسم ذاكرة التخزين المؤقت في وحدة المعالجة المركزية وهي أسرع نظام ذاكرة على الكمبيوتر. ينقسم نظام الذاكرة إلى ثلاثة أجزاء ، وهي الذاكرة المُخبئية L1 و L2 و L3. لذلك ، فإنَّ أي بيانات تحتاج إلى معالجتها بواسطة وحدة المعالجة المركزية تنتقل من القرص الصلب إلى ذاكرة الوصول العشوائي ثم إلى الذاكرة المخبئية. ومع ذلك ، لا يُمكن لوحدة المعالجة المركزية الوصول إلى البيانات مباشرة من الذاكرة المخبئية.
- مُسجِّلات وحدة المعالجة المركزية (الذاكرة الأولية): سجل صغير الحجم على الكمبيوتر ويعتمد على بُنية المعالج. يمكن أن تحتوي هذه السجلات على 32 أو 64 بت من البيانات. بمجرد انتقال البيانات إلى هذه السجلات ، يُمكن لوحدة المعالجة المركزية الوصول إليها وتنفيذ المُهمة المطروحة.
فهم ذاكرة الوصول العشوائي وكيف تعمل
كما أوضحنا سابقًا ، فإنَّ ذاكرة الوصول العشوائي الموجودة على الجهاز مسؤولة عن تخزين البيانات وتزويدها إلى وحدة المعالجة المركزية وإلى التطبيقات الموجودة على الكمبيوتر. لتخزين هذه البيانات ، تستخدم ذاكرة الوصول العشوائي خلية ذاكرة ديناميكية (DRAM).
يتم إنشاء هذه الخلية باستخدام مُكثف وترانزستور. يستخدم المكثف في هذا الترتيب لتخزين الشحنة ، وبناءً على حالة شحن المكثف ؛ يمكن لخلية الذاكرة أن تحتوي على قيمة 1 أو 0.
إذا كان المُكثف مشحونًا بالكامل ، يُقال إنه يُخزن القيمة 1. من ناحية أخرى ، عندما يتم تفريغه ، يُقال إنه يخزن قيمة 0. على الرغم من أنَّ خلية DRAM قادرة على تخزين الشحنات ، إلا أنَّ تصميم الذاكرة هذا يأتي مع عيوبه.
كما ترى ، نظرًا لأنَّ ذاكرة الوصول العشوائي تستخدم المُكثفات لتخزين الشحن ، فإنها تميل إلى فقد الشحنة المخزنة فيها. نتيجة لذلك ، يمكن أن تفقد البيانات المخزنة في ذاكرة الوصول العشوائي. لحل هذه المشكلة ، يتم تحديث الشحنة المخزنة في المكثفات باستخدام مُكبرات استشعار — مما يمنع ذاكرة الوصول العشوائي من فقدان المعلومات المُخزنة.

على الرغم من أنَّ تحديث الشحن يُمكِّن ذاكرة الوصول العشوائي (RAM) من تخزين البيانات عند تشغيل الكمبيوتر ، إلا أنه يتسبب في زيادة زمن الانتقال في النظام لأنَّ ذاكرة الوصول العشوائي لا يُمكنها نقل البيانات إلى وحدة المعالجة المركزية عندما يتم تحديثها — مما يُؤدي إلى إبطاء النظام.
بالإضافة إلى ذلك ، فإنَّ ذاكرة الوصول العشوائي مُتصلة باللوحة الأم ، والتي بدورها مُتصلة بوحدة المعالجة المركزية باستخدام المقابس. وبالتالي ، هناك مسافة كبيرة بين ذاكرة الوصول العشوائي ووحدة المعالجة المركزية ، مما يزيد من وقت تسليم البيانات إلى وحدة المعالجة المركزية.
نظرًا للأسباب المذكورة أعلاه ، تُوفر ذاكرة الوصول العشوائي البيانات فقط إلى وحدة المعالجة المركزية كل 17 نانوثانية. بهذه السرعة ، لا يمكن أن تصل وحدة المعالجة المركزية إلى ذروة أدائها. وذلك لأنها تحتاج إلى أن يتم تزويدها بالبيانات كل ربع نانو ثانية لتقديم أفضل أداء عند التشغيل بتردد تعزيز توربو يبلغ 4 جيجاهيرتز.
لحل هذه المشكلة ، لدينا الذاكرة المخبئية ، ونظام تخزين مُؤقت آخر أسرع بكثير من ذاكرة الوصول العشوائي.
فهم الذاكرة المخبئية
الآن بعد أن عرفنا التحذيرات التي تأتي مع ذاكرة الوصول العشوائي ، يُمكننا إلقاء نظرة على الذاكرة المخبئية وكيف تحل المشكلة التي تأتي مع ذاكرة الوصول العشوائي.
أولاً وقبل كل شيء ، الذاكرة المخبئية غير موجودة على اللوحة الأم. بدلاً من ذلك ، يتم وضعه على وحدة المعالجة المركزية نفسها. ونتيجة لذلك ، يتم تخزين البيانات بالقرب من وحدة المعالجة المركزية — مما يُمكنها من الوصول إلى البيانات بشكل أسرع.
بالإضافة إلى ذلك ، لا تقوم الذاكرة المخبئية بتخزين البيانات لجميع التطبيقات التي تعمل على نظامك. بدلاً من ذلك ، فإنها تحتفظ فقط بالبيانات التي تطلبها وحدة المعالجة المركزية بشكل مُتكرر. بسبب هذه الاختلافات ، يُمكن للذاكرة المخبئية إرسال البيانات إلى وحدة المعالجة المركزية بسرعات مُذهلة.
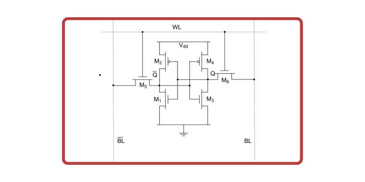
علاوة على ذلك ، مقارنةً بذاكرة الوصول العشوائي (RAM) ، تستخدم الذاكرة المخبئية خلايا ثابتة (SRAM) لتخزين البيانات. مُقارنةً بالخلايا الديناميكية ، لا تحتاج الذاكرة الثابتة إلى التحديث لأنها لا تستخدم المكثفات لتخزين الشحنات.
بدلاً من ذلك ، تستخدم مجموعة من 6 ترانزستورات لتخزين المعلومات. نظرًا لاستخدام الترانزستورات ، لا تفقد الخلية الثابتة الشحن بمرور الوقت ، مما يتيح للذاكرة المخبئية توفير البيانات إلى وحدة المعالجة المركزية بسرعات أعلى بكثير.

ومع ذلك ، فإنَّ الذاكرة المخبئية لها عيوبها أيضًا. أولها ، أنها أكثر تكلفة بكثير بالمقارنة مع ذاكرة الوصول العشوائي. بالإضافة إلى ذلك ، تكون خلية الذاكرة الثابتة أكبر بكثير عند مقارنتها بـ DRAM ، حيث يتم استخدام مجموعة من 6 ترانزستورات لتخزين بت واحد من المعلومات. هذا أكبر بكثير من تصميم المُكثف الفردي لخلية DRAM.
نتيجة لذلك ، تكون كثافة ذاكرة SRAM أقل بكثير ، ولا يُمكن وضع ذاكرة SRAM واحدة ذات حجم تخزين كبير على قالب وحدة المعالجة المركزية. لذلك ، لحل هذه المشكلة ، يتم تقسيم الذاكرة المخبئية إلى ثلاث فئات ، وهي الذاكرة المخبئية L1 و L2 و L3 ، ويتم وضعها داخل وحدة المعالجة المركزية وخارجها. تحقق من مقارنة بين AMD و Intel: ما هي أفضل وحدة معالجة مركزية للألعاب؟
مقارنة بين ذاكرة الوصول العشوائي والذاكرة المخبئية
الآن بعد أن أصبح لدينا فهم أساسي لذاكرة الوصول العشوائي والذاكرة المخبئية ، يُمكننا النظر في كيفية مُقارنتهما ببعضهما.
ذاكرة الوصول العشوائي
- تُخزن البيانات لجميع التطبيقات التي تعمل على النظام.
- نظرًا لكثافة الذاكرة العالية ، يُمكن أن تأتي ذاكرة الوصول العشوائي في حزم يُمكن تخزينها في أي مكان من 2 جيجا بايت من البيانات إلى 64 جيجا بايت.
- يُعتبر تصنيع ذاكرة الوصول العشوائي أرخص بسبب تصميمها الترانزستور / المُكثف الفردي.
- ذاكرة الوصول العشوائي مُتصلة باللوحة الأم وهي بعيدة عن وحدة المعالجة المركزية.
- ذاكرة الوصول العشوائي أبطأ.
الذاكرة المخبئية
- تُخزن البيانات والتعليمات المُستخدمة بشكل مُتكرر والتي تتطلبها وحدة المعالجة المركزية.
- نظرًا لكثافة الذاكرة المُنخفضة ، تقوم الذاكرة المخبئية بتخزين البيانات في نطاق كيلو بايت أو ميغا بايت.
- يُعد تصنيع الذاكرة المخبئية أمرًا مُكلفًا نظرًا لتصميمها المُكوَّن من 6 ترانزستور.
- ذاكرة الوصول العشوائي مُتصلة باللوحة الأم وهي بعيدة عن وحدة المعالجة المركزية.
- ذاكرة التخزين المؤقت أسرع.
تحقق من مقارنة بين DDR4 و DDR5: ما الفرق ، وهل يجب عليك الترقية؟
الذاكرة المخبئية أسرع بكثير من ذاكرة الوصول العشوائي
تُعد كل من ذاكرة الوصول العشوائي والذاكرة المخبئية أنظمة ذاكرة مُتطايرة ، ولكن كلاهما يخدم مهام مُميزة. من ناحية أخرى ، تخزن ذاكرة الوصول العشوائي التطبيقات التي تعمل على نظامك ، بينما تدعم الذاكرة المخبئية ذاكرة الوصول العشوائي عن طريق تخزين البيانات المُستخدمة بشكل متكرر بالقرب من وحدة المعالجة المركزية — مما يؤدي إلى تحسين الأداء.
لذلك ، إذا كنت تبحث عن نظام يُقدم أداءً رائعًا ، فمن الضروري إلقاء نظرة على ذاكرة الوصول العشوائي والذاكرة المخبئية التي تأتي معها. يعد التوازن المتميز بين نظامي الذاكرة أمرًا جوهريًا لتحقيق أقصى استفادة من الكمبيوتر الخاص بك. يُمكنك الإطلاع الآن على كيفية زيادة الذاكرة الافتراضية في Windows 11.
